

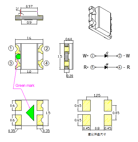
◆Package ( L/W/H ) : 1.6 × 1.5 × 0.6 mm
◇Color : Ultra Bright Red/White Bi-Color
◆Lens: Yellow Diffused Flat Mold
◇EIA STD Package
◆Meet ROHS, Green Product
◇Compatible With SMT Automatic Equipment
◆Compatible With Infrared Reflow Solder Process

Notes: a. All dimensions are in millimeters ;
b. Tolerance is ± 0.10 mm unless otherwise noted.
Absolute Maximum Ratings At Ta=25℃
Parameter | Symbol | Rating | Unit | ||
Power Dissipation | Pd | R | 75 | mW | |
W | 75 | ||||
Peak Forward Current | IFP | R | 70 | mA | |
W | 100 | ||||
DC Forward Current | IF | R | 25 | mA | |
W | 25 | ||||
Reverse Voltage | VR | R | 5 | V | |
W | 5 | ||||
Operating Temperature Range | Topr | -30°C ~ + 85°C | |||
Storage Temperature Range | Tstg | -40°C ~ + 90°C | |||
Soldering Condition | Tsol | Reflow soldering : 260°C For 5 Seconds | |||
ESD CLASS | ESD | 2000 | V | ||
Electrical Optical Characteristics At Ta=25℃
Parameter | Symbol | Color | Min. | Typ. | Max. | Unit | Test Condition |
Luminous Intensity | IV | R | --- | 180 | --- | mcd | IF = 20mA |
W | --- | 560 | --- | ||||
Dominant Wavelength | λd | R | 615 | 630 | nm | IF=20mA | |
| Color Temperature | CCT | W | 7000 | 25000 | K | ||
Peak Wavelength | λp | R | --- | 623 | --- | nm | IF=20mA |
Spectral Line Half-Width | Δλ | R | --- | 20 | --- | nm | IF=20mA |
Forward Voltage | VF | R | 1.8 | --- | 2.6 | V | IF=20mA |
W | 2.6 | --- | 3.6 | ||||
Reverse Current | IR | R | --- | --- | 5 | uA | VR=5V |
W | --- | --- | 5 | ||||
Viewing Angle | 2θ1/2 | --- | --- | 120 | --- | deg | IF = 20mA |
Notes: 1.Luminous intensity is measured with a light sensor and filter combination that approximates the CIE eye-response curve.
2.θ1/2 is the off-axis angle at which the luminous intensity is half the axial luminous intensity.
3.The dominant wavelength, λd is derived from the CIE chromaticity diagram and represents the single wavelength which defines the color of the device.










Copyright Shenzhen RigDoo Optoelectronics Co., Ltd. | All Rights Reserved